Diagnostyka

ponad rok temu  01.11.2015, ~ Administrator - ,   Czas czytania 5

Róbmy notatki! Zapisujmy, analizujmy, trzymajmy pod ręką

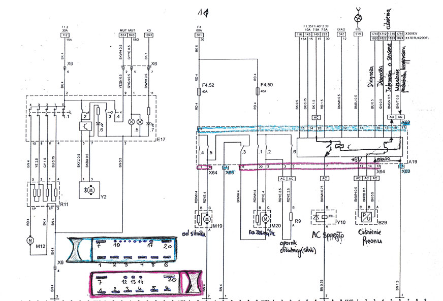
Rys. 1. Uzupełniony o notatki rysunek z przekaźnikiem pompy paliwa w samochodach marki Ford.

Aby naprawić samochód, potrzebna jest coraz większa wiedza, ogólne wiadomości, a także konkretne wskazówki odnośnie naprawy konkretnych uszkodzeń. Idąc na skróty, nie rozpracowując wszystkich „zjawisk” przy danej usterce, dążąc jedynie do szybkiego jej usunięcia, możemy niejako „minąć się” z nauką.

Pod słowem nauka rozumiemy opanowanie całego materiału dotyczącego konkretnego przypadku. Ale to nie wszystko – musimy sobie również wszystko uporządkować, zapisując w odpowiednim miejscu. Tyle rozważań teoretycznych, a teraz rozpatrzmy kilka przypadków.
Volvo V40 sprzed kilkunastu lat cierpi na pewną dolegliwość, która polega na tym, że często nie wszystkie światła włączają się prawidłowo. Jeżdżąc setki, a nawet tysiące godzin z włączonymi światłami mijania, powodujemy wyeksploatowanie całej drogi prądowej od przełącznika do żarówek. Po drodze mamy zamontowany moduł komfortu, odpowiedzialny między innymi za sterowanie wycieraczkami i właśnie światłami. Ostatnimi elementami przekazującymi prąd żarówkom są przekaźniki. Najczęstsze usterki to właśnie wypalone styki w przekaźnikach i wybite połączenia lutowane w miejscu łączenia wtyczki z płytką drukowaną.
W momencie przyjazdu takiego samochodu do warsztatu jesteśmy zadowoleni, że usterkę znamy i szybko naprawimy samochód. Na początku ustalamy, których świateł nie ma i wtedy zaczynamy szukać usterki w elektronicznym module. Zaczynamy sobie przypominać, który przekaźnik jest od których świateł. Oczywiście nie będąc do końca pewnym, sprawdzamy wszystko od początku. Czyż nie szybciej byłoby wyciągnąć notatki z narysowanym schematem i opisanymi elementami? Naprawa byłaby o wiele sprawniejsza. Wydaje się nam, że wydrukowanie schematu lub narysowanie go na kartce to marnowanie czasu. O wiele więcej marnujemy go jednak, szukając za każdym razem wszystkiego od nowa. A dodatkowa sprawa, to że przekaźnik może być w porządku, a uszkodzeniu ulega mały tranzystor SMD w obudowie SOT 23 sterujący przekaźnikiem. Mamy cały rząd tych tranzystorów, dlatego musimy poświęcić trochę czasu, aby znaleźć ten prawidłowy. A przecież gdybyśmy mieli notatki, to sprawa byłaby o wiele prostsza. Każdy, kto porządkuje swoje notatki, w takich momentach odczuwa ulgę i chwilę szczęścia, ponieważ wszystko, co potrzebne do szybkiej naprawy, ma pod ręką.
Popatrzmy na swoje notatki z pewnej perspektywy. Czy są one uporządkowane, czytelne, łatwo dostępne? A może poświęcamy dużo czasu na znalezienie swoich zapisków, a jak już znajdziemy, to marszczymy czoło, zastanawiając się, co autor miał na myśli? Ogólnie możemy zapisywać w zeszycie, na kartkach – zbierając i wpinając potem do skoroszytu albo na komputerze. Najprawdopodobniej nie ma złotego środka i na pewno każdy z nas korzysta z tych trzech miejsc, tworząc swój własny magazyn wiedzy. Nie sposób korzystać z jednego typu zbioru, ale to nie jest tak istotne. Najważniejsze jest to, czy potrafimy tę wiedzę uzupełniać i ciągle aktualizować. A to oznacza dopisywanie uwag, numerów części, rozszyfrowanych tranzystorów i układów scalonych. To także odręczne rysunki, fragmenty schematów ideowych układów elektronicznych. Ważne są praktycznie wszystkie uwagi, które osiągnęliśmy pewnym trudem, na przykład jak połączyć się z układem ABS w Oplu Frontera? Okazuje się, że trzeba wybrać Nissana, aby uzyskać komunikację z Oplem Frontera. Właśnie tego typu uwagi należy zapisywać, jak również co pewien czas przeglądać je i porządkować. To również jest fragment naszej pracy i to dosyć istotny.


Rys. 2. Moduł Moduł chłodzenia w Oplu Astrze.

Kolejna sprawa, to jak zapamiętać informacje z Internetu. Na pewno często wchodzimy na różnego rodzaju fora. To pomocne źródło wiedzy zawiera tysiące informacji potrzebnych, ale też i zbędnych, zaciemniających istotę sprawy. Całe strony możemy skopiować do schowka i wkleić w dowolnych edytorze tekstu, a potem wybrać to, co nas naprawdę interesuje. Powycinać zbędne reklamy, uprościć do pewnego kompendium, a po wydrukowaniu – dopisywać swoje uwagi. Takie kartki to najcenniejsze źródło wiedzy. Nie zapomnijmy dopisywać typu samochodu, modelu i rodzaju silnika oraz typu sterowania (na przykład Motronic 7.5).
Na koniec warto wspomnieć o prawie gotowych notatkach z Autodaty. To, że możemy mieć laptopa na kolanach i na bieżąco naprawiać samochód, wcale nie oznacza, że nie mamy produkować notatek. Przecież możemy wydrukować schemat danego silnika, rozmieszczenie przekaźników i bezpieczników. Możemy przenieść na kartki papieru rozmieszczenie innych elementów i to wszystko razem zszyć zszywaczem. Możemy dorzucić sztywniejsze okładki albo wpiąć do skoroszytu. I wszystko opisać długopisem lub ołówkiem. Niektórzy nawet wpisują datę, kiedy naprawiali dany samochód, bo potem łatwiej odtworzą w pamięci przebieg naprawy. Nawet numery sterowników i innych części są ważne. Potem, np. gdy mamy trudności ze znalezieniem właściwych numerów części, może okazać się to bardzo cenne.
Wniosek jest jeden – wszystko, co jest ważne, zapisywać, a potem analizować. Tak robili wszyscy światowej sławy jubilerzy, matematycy i naukowcy. Dlaczego nie wziąć z nich przykładu?
Na załączonych rysunkach widzimy fragmenty schematów Opla i Forda uzyskane z Internetu i opisane tak, aby ułatwić w przyszłości naprawę danych układów. Po ściągnięciu rysunków powinno się wybrać te fragmenty, które nas interesują. Następnie zaleca się wykonać pewien retusz, na przykład darmowym programem Paint.net do obróbki zdjęć i rysunków. Ważne jest wyostrzenie, a także przeprowadzenie korekt w menu „zmiana kolorów”. Właściwy rezultat można osiągnąć bardzo szybko, a następnie wydrukować go i uzupełniać systematycznie własnymi spostrzeżeniami.
Rysunek z przekaźnikiem pompy paliwa w samochodach marki Ford (rys. 1) możemy ustawić sobie przy samochodzie i zacząć sprawdzać napięcia na poszczególnych przewodach. Na rysunku, w górnej jego części, mamy schemat wnętrza, a u dołu – obwody zewnętrzne. Jest tutaj zawarta cała idea pracy dwóch wewnętrznych przekaźników. Zwróćmy uwagę na to, że jedna cewka sterowana jest plusem, a druga minusem. Przeprowadzona diagnostyka w ten sposób powinna przynieść szybko właściwe wyniki.
Drugi rysunek (rys. 2) przedstawia moduł chłodzenia w Oplu Astrze. Na oryginalnym schemacie nie było narysowane nic, co jest wewnątrz modułu. Jak już otworzyliśmy moduł i zbadaliśmy nawet tylko fragmenty, czym prędzej powinniśmy zapisać spostrzeżenia na kartce, a najlepiej uzupełnić taki właśnie schemat. Bez trudu będziemy wiedzieli, czego oczekiwać na poszczególnych przewodach. Jakie powinno być napięcie i jak to wszystko pracuje. Te cenne spostrzeżenia, oparte na naszym własnym doświadczeniu, są niestety ulotne i po pewnym czasie nam umykają. A kartki papieru pozostaną i w ten sposób „zrobimy” samochód i zarobimy szybciej i łatwiej, czego sobie i Państwu serdecznie życzę.

Stanisław Mikołaj Słupski

Komentarze (0)

dodaj komentarz
    Nie ma jeszcze komentarzy...
do góry strony