W poprzednich częściach artykułu omówiono rodzaje i zadania układów hamulcowych, ich strukturę, wymagania prawne, parametry diagnostyczne oraz kryteria oceny ich stanu technicznego. Przedstawiono również metody i wybrane przyrządy wykorzystywane do diagnostyki – zarówno wstępnej, jak i szczegółowej, obejmującej m.in. instalację powietrzną, pomiar sił hamowania, kontrolę hamulca najazdowego przyczepy oraz sprawdzanie działania układu przeciwblokującego (ABS). Tym razem skupiamy się na przyrządach służących do badań trakcyjnych hamulców oraz stanowiskach do kontroli zespołów powietrznych.
1. Przyrządy do badań trakcyjnych hamulców
Zgodnie z rozporządzeniem o zakresie i sposobie badań technicznych pojazdów [3] dopuszcza się badanie skuteczności hamulców przez pomiar opóźnienia hamowania. Do pomiaru opóźnienia hamowania wykorzystuje się specjalne przyrządy, zwane opóźnieniomierzami. Współczesne opóźnieniomierze dobrej klasy pozwalają nie tylko na pomiar opóźnienia maksymalnego, ale także pomiar zmian chwilowych wartości opóźnienia w czasie hamowania, wyznaczenie wartości średnich, pomiar siły nacisku na pedał hamulca (lub ciśnienia w siłownikach pneumatycznych), określenie zwłoki w zadziałaniu układu hamulcowego.

Rys. 1. Pomiar opóźnienia hamowania za pomocą opóźnieniomierza VZM 300 firmy Maha (źródło: Maha)
Do nowoczesnych opóźnieniomierzy z piezoelektrycznym układem pomiarowym należy m.in. rodzina przyrządów VZM firmy Maha. Najbardziej rozbudowana wersja przyrządu tej firmy – VZM 300 – składa się z (rys. 1):
- urządzenia mierzącego, służącego również do wprowadzania danych i odczytu wartości mierzonych,
- drukarki do liczbowej i graficznej prezentacji wyników pomiarów,
- miernika siły nacisku na pedał hamulca,
- przetwornika ciśnienia w układzie hamulcowym,
- przetwornika kąta pochylenia nadwozia (do testowania układu zawieszenia),
- czujnika siły pociągowej samochodu umożliwiającego określenie skuteczności hamowania przyczepy.
Zakres pomiarowy opóźnienia hamowania wynosi do 20 m/s², siły nacisku na pedał hamulca – do 1 kN, ciśnienia w instalacji powietrznej – do 1 MPa. Przyrząd ma pamięć wartości zmierzonych i złącze RS-232 do przyłączenia komputera. Zasilany jest z wbudowanej baterii lub z instalacji elektrycznej samochodu (np. z gniazda zapalniczki).
Badanie opóźnienia hamowania polega na ustawieniu przyrządu w dogodnym miejscu i wykonaniu hamowania samochodu podczas próby drogowej. Opóźnieniomierz zmierzy i zarejestruje przebiegi opóźnienia hamowania, podając jego maksymalną i średnią wartość. W celu zmierzenia wartości innych parametrów należy podłączyć dodatkowe wyposażenie, na przykład miernik siły nacisku na pedał hamulca, czujnik ciśnienia w siłownikach pneumatycznych.
Ocena stanu technicznego układu hamulcowego następuje przez porównanie zarejestrowanej wartości opóźnienia maksymalnego z wartością określoną w przepisach o warunkach technicznych pojazdów [2]. Wyniki badań wykazały, że wartości opóźnienia uzyskane podczas próby drogowej są praktycznie niezależne od prędkości początkowej pojazdu (na suchej nawierzchni). Przykładowo na rys. 2 pokazano wydruk uzyskany podczas badań opóźnieniomierzem VZM 300.

Rys. 2. Przykładowe przebiegi opóźnienia hamowania i siły nacisku na pedał hamulca (źródło: Maha)
Natomiast na rys. 3 przedstawiono wielofunkcyjny opóźnieniomierz nowej generacji BMD 400 firmy Unimetal, który jest jednocześnie miernikiem siły nacisku na pedał hamulca i ciśnienia w pneumatycznym układzie hamulcowym. W razie potrzeby może służyć jako pilot do bezprzewodowego sterowania linią diagnostyczną lub urządzeniem szarpiącym. Przyrząd przesyła zdalnie wyniki pomiarów do centralnej jednostki sterującej linii diagnostycznej.

Rys. 3. Przykład wielofunkcyjnego opóźnieniomierza nowej generacji – BMD 400 firmy Unimetal (źródło: Unimetal)
Innymi przykładami opóźnieniomierzy są przyrządy OP-1 firmy Elhos, AMX-520 firmy Automex (rys. 4) oraz CL-170 wytwarzany przez Zakład Elektroniki Pomiarowej Wielkości Nieelektrycznych (rys. 5).

Rys. 4a. Opóźnieniomierz AMX-520 z miernikiem nacisku na pedał hamulca

Rys. 4b. Przykład jego umieszczenia podczas pomiaru – źródło: Automex

Rys. 5. Opóźnieniomierz CL 170 z wyposażeniem oferowanym przez Zakład Elektroniki Pomiarowej Wielkości Nieelektrycznych (źródło: ZEPWN)
Określanie zdatności układu hamulcowego przez pomiar opóźnienia hamowania jest metodą ciągle niedocenianą przez diagnostów. W praktyce opóźnieniomierze mogą mieć zastosowanie w badaniu ciągników rolniczych, zwłaszcza w stacjach wyposażonych w urządzenia rolkowe o dopuszczalnym nacisku na rolki mniejszym od nacisku na oś badanego ciągnika. Również w przypadku niejednoznaczności oceny skuteczności działania układu hamulcowego na podstawie pomiarów stanowiskowych badania powinny być uzupełnione o przeprowadzenie próby drogowej i wyznaczenie opóźnienia. Badania za pomocą opóźnieniomierza można także zalecić organom kontrolującym stan techniczny pojazdów w ruchu drogowym. Ocena opóźnienia, a zwłaszcza jego wartości chwilowych w czasie hamowania, pozwala na wstępne określenie stanu technicznego pojazdu w zakresie bezpieczeństwa jazdy. Opóźnieniomierz dobrej klasy może mieć także zastosowanie w badaniach wartości przyspieszeń i zdolności pojazdu do płynnego przyspieszania, często niezbędnych w pracach rzeczoznawców techniki samochodowej i biegłych sądowych.
2. Stanowiska do badania zespołów powietrznych
Do przeprowadzenia kompleksowych badań diagnostycznych zespołów powietrznych służą uniwersalne stanowiska, które dzięki bogatemu wyposażeniu umożliwiają szczegółową ocenę prawidłowości ich działania. Odpowiednie podłączenie kontrolowanych zespołów do stanowiska badawczego pozwala na symulowanie warunków odpowiadających rzeczywistym warunkom ich pracy w pojeździe samochodowym. Stanowiska do badania zespołów powietrznych można podzielić na: stanowiska do sprawdzania sprężarek i uniwersalne stanowiska do badań zespołów powietrznych.
2.1 Stanowiska do badania sprężarek
Przykładem tego rodzaju stanowiska, służącego do sprawdzania parametrów technicznych sprężarek, jest AB-717 konstrukcji Przemysłowego Instytutu Motoryzacji. Urządzenie przeznaczone jest do oceny stanu technicznego sprężarek powietrza wymontowanych z samochodu. Pozwala również na przeprowadzenie docierania sprężarek po naprawie głównej. Ma tak skonstruowane mechanizmy mocowania i napędu, aby przy wykorzystaniu specjalnego oprzyrządowania możliwe było badanie sprężarek różnych typów.
AB-717 umożliwia przeprowadzenie pomiarów i ocen:
- wydatku sprężarki,
- szczelności sprężarki,
- szczelności zaworu tłocznego,
- przepływu oleju przez łożyska,
- zaolejenia powietrza tłoczonego,
- hałaśliwości pracy sprężarki.
Stanowisko składa się z dwóch segmentów: napędowo-mocującego i sterująco-pomiarowego. Podział ten ma na celu wyeliminowanie wpływu drgań pracującej sprężarki i silnika napędowego na segment sterująco-pomiarowy. Segment napędowo-mocujący składa się z następujących układów: napędowego, mocującego, smarowania, chłodzenia wodnego i chłodzenia powietrznego oraz regulacji ciśnienia tłoczonego powietrza. Segment sterująco-pomiarowy umożliwia sterowanie stanowiskiem i obserwację większości parametrów, których znajomość jest konieczna w trakcie badań. Składa się z układów: kontrolnego, sterującego i pomiarowego.
2.2 Uniwersalne stanowiska do badania zespołów powietrznych
Stanowiska uniwersalne przeznaczone do badania zespołów powietrznych układów hamulcowych przedstawiono na przykładzie stosowanych w kraju urządzeń AB-692 i AB-772 opracowanych w Przemysłowym Instytucie Motoryzacji.
Stanowisko AB-692
AB-692 jest uniwersalnym stanowiskiem do badania zespołów powietrznych instalacji pojazdów mechanicznych, zwłaszcza do diagnozowania, regulacji i kontroli zespołów hamulcowych autobusów, pojazdów ciężarowych, ciągników rolniczych oraz przyczep i naczep. Jego konstrukcja oparta jest w całości na elementach wytwarzanych w kraju, umożliwia przeprowadzenie pełnego diagnozowania i regulacji wszystkich zespołów powietrznych (z wyjątkiem sprężarek).

Rys. 6. Uniwersalne stanowisko typu AB-692 do kontroli zespołów układu powietrznego pojazdu (źródło: PIMOT)
Urządzenie to zostało przedstawione na rys. 6. Umożliwia ono przeprowadzenie badań funkcjonalnych zespołów. Zgodnie z warunkami technicznymi są to na ogół badania: charakterystyk statycznych, szczelności, czułości działania i stopniowalności. Stanowisko AB-692 składa się z następujących zasadniczych układów:
- powietrznego układu pomiarowo-badawczego (manometry, przyłącza wyjściowe dolne i górne, zbiorniki powietrza z ręcznymi odwadniaczami i zbiorniki pomiarowe),
- mechanicznego układu sterującego,
- elektrycznego układu kontrolnego,
- bazy mocująco-ustalającej zespołów badanych lub dodatkowego oprzyrządowania do ich mocowania,
- wyposażenia podstawowego (przewody, łączniki, uszczelki) i dodatkowego (np. wspornik mocujący).
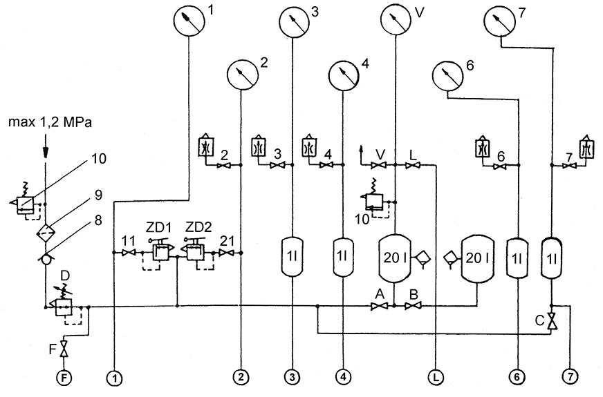
Schemat układu pomiarowego stanowiska AB-692 przedstawiono na rys. 7. Należy je podłączyć do sieci sprężonego powietrza lub do indywidualnego agregatu sprężarkowego. Maksymalne ciśnienie zasilania powinno wynosić 1,2 MPa. Przed przekroczeniem dopuszczalnego ciśnienia zabezpiecza zawór bezpieczeństwa, za którym znajdują się filtr przewodowy i zawór zwrotny. Zawór bezpieczeństwa umieszczony jest również przy przyłączu L. Dalej następuje rozgałęzienie instalacji i jej podział na część niskociśnieniową (ciśnienie jest ustalane przez regulator D) i wysokociśnieniową.

Rys. 7. Schemat układu pomiarowego stanowiska AB-692 (źródło: PIMOT):
D – regulator ciśnienia, ZD1 i ZD2 – zawory dokładnej regulacji,
A, B, C – zawory odcinające,
1-7 – manometry (przyłącza wyjściowe górne i dolne),
8 – zawór zwrotny,
9 – filtr przewodowy,
10 – zawór bezpieczeństwa
ZD1 i ZD2 to zawory dokładnej regulacji, pozwalające na precyzyjne ustawienie ciśnienia powietrza na wymaganą wartość. Stanowisko wyposażone jest w dwa zbiorniki główne o pojemności 20 dm³ z zaworami odwadniającymi oraz cztery zbiorniki pomiarowe o pojemności 1 dm³. W układ włączone są także zawory odcinające. Niektóre z nich mają wymienne dysze. Stanowisko jest przystosowane także do badania zaworów elektromagnetycznych i czujników ciśnienia, czemu służy instalacja elektryczna prądu stałego (12 i 24 V). Wartości ciśnień w różnych punktach układu odczytuje się z siedmiu manometrów.
Badane zespoły instaluje się na stanowisku w sposób odpowiadający ich usytuowaniu w pojeździe, za pośrednictwem baz mocująco-ustalających, to jest imadła i czterech gniazd mocująco-ustalających umieszczonych w blacie. Wyposażenie dodatkowe składa się ze wspornika ułatwiającego mocowanie zespołów podczas badań (rys. 8). Podziałki kątowe wspornika umożliwiają sprawdzenie charakterystyk głównych i ręcznych zaworów hamulcowych.

Rys. 8. Wspornik stanowiący wyposażenie dodatkowe stanowiska AB-692 (źródło: PIMOT)
Przyłącza powietrzne badanych zespołów łączy się przewodami elastycznymi z odpowiednimi dolnymi przyłączami wyjściowymi układu pomiarowego stanowiska. Na górnych przyłączach wyjściowych, służących głównie do odpowietrzania i pozorowania awarii, montuje się (w zależności od potrzeb) wymienne dysze, których zadaniem jest wydłużenie (złagodzenie) spadku ciśnienia podczas odpowietrzania lub wprowadzenie określonego wydatku wypływu (określonej nieszczelności).
Zespołami uruchamianymi wzrostem lub spadkiem ciśnienia powietrza steruje się zaworami dokładnej regulacji ciśnienia za pomocą ręcznych dźwigni. Do mechanicznego sterowania zespołów (np. głównych zaworów hamulcowych, mechanizmów wspomagających) służy mechaniczny układ sterujący uruchamiany masowo (za pomocą obciążników) lub mięśniowo (ręcznie i nożnie). Wobec tego możliwe jest sterowanie zespołami z określoną siłą działającą na dźwignię, pedał, cięgno lub popychacz badanego zespołu. Do zasilania zespołów uruchamianych elektromagnetycznie oraz do kontroli i regulacji czujników ciśnienia służy elektryczny układ kontrolny z napięciem wyjściowym 12 i 24 V.
Stanowisko AB-772
W dotychczasowej praktyce diagnostycznej w przypadku powietrznych układów hamulcowych przeprowadza się najczęściej tylko pomiar określonych wartości ciśnienia w warunkach równowagi statycznej. Umożliwiają to uniwersalne stanowiska do badań zespołów pneumatycznych, na przykład AB-692, Pneumatester (rys. 9), stanowiska firmy Wabco i inne. Z punktu widzenia rzeczywistego przebiegu hamowania pojazdu interesujące są zjawiska dynamiczne w instalacji powietrznej, ponieważ mają one istotny wpływ na skuteczność hamowania.

Rys. 9. Widok stanowiska Pneumatester do badania zespołów powietrznych pojazdów [4].
W Przemysłowym Instytucie Motoryzacji opracowano stanowisko AB-772 (rys. 10) przeznaczone do diagnozowania powietrznych zespołów hamulcowych. Dzięki zastosowaniu przetworników i układów elektronicznych umożliwia ono pomiar nie tylko parametrów statycznych, ale i dynamiczne zdejmowanie charakterystyk. Jest ono przeznaczone do diagnozowania i regulacji zespołów: powietrznych układów hamulcowych, zawieszenia, otwierania drzwi i innych stosowanych w samochodach ciężarowych, autobusach, ciągnikach, przyczepach oraz naczepach. Dzięki odmianie mobilnej (na kółkach) możliwe jest wykorzystanie stanowiska do diagnozowania kompletnych układów pneumatycznych na pojazdach oraz sprawdzania zespołów powietrznych bez konieczności ich wymontowywania z pojazdu, co było wymagane w tradycyjnych rozwiązaniach.

Rys. 10. Stanowisko AB-772 do diagnozowania powietrznych zespołów hamulcowych przystosowane do współpracy z komputerem zewnętrznym, z możliwością wyznaczania charakterystyk dynamicznych (źródło: PIMOT)
Urządzenie umożliwia przeprowadzenie badań funkcjonalnych obejmujących sprawdzenie: szczelności, czułości działania, stopniowalności, charakterystyk statycznych i dynamicznych oraz poprawności regulacji zespołów (podczas ich regulacji lub naprawy).
AB-772 składa się z następujących istotnych elementów:
- pneumatycznego uchwytu do mocowania badanego zespołu,
- elastycznych przewodów pneumatycznych do przyłączenia badanego zespołu,
- wskaźników ciśnienia (cyfrowych i analogowych),
- schematu instalacji powietrznej stanowiska,
- pokręteł płynnej regulacji ciśnienia powietrza,
- tablicy włączników, zaworów i lampek sygnalizacyjnych,
- wyjścia do przyłączenia komputera zewnętrznego,
- komputera z monitorem i drukarką (wyposażenie opcjonalne).
Stanowisko zawiera pięć cyfrowych mierników ciśnienia i dwa kontrolne manometry klasy 0,6. Wykorzystywane są one między innymi do bieżącej kontroli elektronicznych torów pomiarowych. Elektroniczne czujniki ciśnienia mierzą z dokładnością do 0,2%. Dokładność odczytu wskazań parametrów z wykorzystaniem mierników cyfrowych wynosi 0,001 MPa ± jedna cyfra, co jest szczególnie istotne podczas kontroli szczelności układu.
Dwa elektroniczne proporcjonalne zawory dokładnej regulacji pozwalają na precyzyjne ustawienie ciśnienia na wymaganą wartość. Stanowisko wyposażone jest w dwa zbiorniki główne o pojemności 20 dm³ i cztery zbiorniki pomiarowe o pojemności 1 dm³. Zawory odcinające, pozwalające na dowolną konfigurację układu powietrznego, sterowane są elektrycznie. Badane zespoły i układy przyłączane są przez szybkozłącza. Do mocowania badanych zespołów na stanowisku służy uchwyt pneumatyczny sterowany elektrycznie.
Dzięki zastosowaniu przetwornika analogowo-cyfrowego stanowisko współpracuje z komputerem zewnętrznym i możliwe jest kreślenie charakterystyk badanych zespołów. W bazie danych komputera znajdują się wzorcowe charakterystyki zespołów i układów sporządzone na podstawie danych producenta. W trakcie badań można przywołać wzorcową charakterystykę z polem tolerancji danej wielkości i na jej tle wykreślić rzeczywistą charakterystykę diagnozowanego zespołu. Możliwość porównania charakterystyk mierzonych z wzorcowymi przyspiesza i ułatwia ocenę stanu technicznego oraz ewentualną regulację badanego zespołu. Wyniki badania mogą być zapisane w pamięci komputera i w dowolnej chwili odtworzone. Badanie może być zakończone wydrukiem protokołu pomiarowego. Stanowisko może być dostosowane do innego zakresu parametrów pracy zespołów badanych, mieć inną kompletację i być dodatkowo wyposażone stosownie do wskazanego asortymentu badanych zespołów (także pneumatyczno-hydraulicznych).
Każdy zespół przeznaczony do badania na uniwersalnym stanowisku diagnostycznym powinien być zaopatrzony w instrukcję diagnostyczną. Przedstawia ona sposób podłączenia zespołu do stanowiska, ze szczególnym uwzględnieniem właściwego połączenia przyłączy, oraz zawiera procedurę badania wyjaśniającą krok po kroku operacje związane z diagnozowaniem zespołu, a także wymagane wartości i tolerancje mierzonych parametrów.
Podsumowanie
W ostatnich latach nastąpił znaczny postęp w konstrukcji urządzeń do badania układów hamulcowych pojazdów samochodowych. W szczególności dotyczy to nowej generacji urządzeń rolkowych uniwersalnych i do badania samochodów ciężarowych, najnowszych rozwiązań przyrządów do badania opóźnienia hamowania i kontroli układów przeciwblokujących oraz skomputeryzowanych stanowisk do badania powietrznych zespołów hamulcowych. Usprawnienie procesu pomiarowego nastąpiło między innymi przez:
- szybką identyfikację i lokalizację uszkodzeń,
- skrócenie czasu diagnozowania,
- połączenie w jednym cyklu diagnozowania instalacji powietrznych z pomiarem sił hamowania poszczególnych osi pojazdu,
- umożliwienie pomiarów przy dowolnych stanach obciążenia pojazdu (w granicach dopuszczalnej ładowności).
Można również zauważyć, że poglądy dotyczące badania skuteczności hamowania pojazdów są w wielu krajach zróżnicowane, co zostało uwzględnione w zapisach dyrektywy 2014/45/UE. Z jej analizy wynika, że nie ma jednolitych zasad pomiaru skuteczności działania hamulców, w szczególności pneumatycznych. Zarówno metoda jednopunktowa, dwupunktowa, jak i pomiar ciągły siły hamowania w funkcji ciśnienia powietrza w siłowniku są dozwolone. Dominuje pogląd, że obciążanie pojazdu podczas pomiaru jest znacznie lepszym sposobem wyznaczania wskaźnika skuteczności hamowania niż ekstrapolacja dla nieobciążonego pojazdu.
Na przykład metodyka badania stosowana w Niemczech opiera się na wskazanej dyrektywie. Dokonuje się pomiarów pojazdów nieobciążonych, skuteczność hamulców w stanie obciążonym jest liczona za pomocą metody ekstrapolacji dwupunktowej. Sposób badania przyjęty do stosowania w Polsce jest również zgodny z podaną dyrektywą.
Pomiary wykonuje się dla pojazdu nieobciążonego i stosuje się metodę ekstrapolacji, podobnie do procedur niemieckich.
Obowiązujący w naszym kraju sposób badania skuteczności i równomierności działania hamulców w stacjach kontroli pojazdów [3] nakazuje określić wskaźnik skuteczności hamowania zmierzony na podstawie pomiaru sił hamowania w odniesieniu do nacisku od dopuszczalnej masy całkowitej pojazdu. Dopuszczalną masę całkowitą pojazdu przyjmuje się na podstawie danych zawartych w dowodzie rejestracyjnym, tabliczce znamionowej lub sumując masę własną i dopuszczalną ładowność pojazdu (dla ciągników siodłowych dopuszczalną ładownością jest dopuszczalny nacisk na siodło ciągnika).
Jeżeli zmierzony wskaźnik skuteczności hamowania nie osiąga wymaganej wartości, należy wyznaczyć obliczeniowy wskaźnik skuteczności hamowania (metodą ekstrapolacji) i porównać jego wartość z wymaganiami. W odniesieniu do pojazdów członowych obowiązujące w Polsce przepisy dopuszczają określanie wskaźnika skuteczności hamowania (również obliczeniowego) pojedynczo dla każdej osi.
Słuszny wydaje się pogląd, że w przypadku badania układów hamulcowych ciężkich pojazdów (z powietrznym uruchamianiem hamulców) pełniejszą informację diagnostyczną uzyskuje się, określając wskaźnik skuteczności hamowania dla każdej osi oddzielnie. Wymaga to jednak wyposażenia urządzeń do badania sił hamowania w wagę (nie wystarczy informacja o dopuszczalnej masie całkowitej z dowodu rejestracyjnego pojazdu) oraz odpowiednią liczbę czujników do pomiaru ciśnienia w pneumatycznych układach przenoszących.
Badanie skuteczności i równomierności hamowania wykonuje się najczęściej na urządzeniach rolkowych do pomiaru sił hamowania. Współczesne wersje urządzeń rolkowych (uniwersalnych i ciężarowych) umożliwiają wykonanie pomiarów i obliczeń: oporów toczenia kół, wartości sił hamowania i ich rozdziału, nierównomierności sił hamowania poszczególnych kół, współczynnika skuteczności hamowania, obciążenia kół i osi pojazdu, ciśnień roboczych i sterujących w instalacji pneumatycznej, czasu reakcji hamulców oraz siły nacisku na pedał hamulca. Zmierzone i obliczone wartości parametrów diagnostycznych mogą być przedstawione na ekranie monitora (w czasie rzeczywistym) oraz na wydruku w postaciach liczbowej i wykreślnej.
Poważnym problemem jest badanie tzw. dopasowania układów hamulcowych w zespołach pojazdów złożonych z pojazdu ciągnącego i przyczepy (naczepy). W takim przypadku uruchomienie hamulca roboczego lub awaryjnego powinno zapewnić odpowiednie ujednolicenie hamowania obu pojazdów w stosunku do ciśnienia powietrza w złączu sterującym, tak aby siła na sprzęgu między pojazdami była bliska zeru.
Z punktu widzenia oceny dopasowania układów hamulcowych zespołu pojazdów ważna jest możliwość uzyskania wykresu zbiorczego, na którym przedstawia się wskaźniki skuteczności hamowania z w funkcji ciśnienia sterującego pm dla pojazdu ciągnącego i przyczepy {z = f (pm)}. Na wykresie wprowadza się również dopuszczalne granice wskaźników skuteczności hamowania.
W idealnym przypadku charakterystyka skuteczności hamowania dla zespołu (pojazd ciągnący i przyczepa/naczepa) powinna wyróżniać się jednoczesnością zmian i jednakową skutecznością hamowania. Ponieważ w praktyce taki przypadek jest trudny do uzyskania, w przepisach (Regulamin nr 13 EKG ONZ) określono pola tolerancji, poza które nie powinny wykraczać wartości charakterystyk skuteczności hamowania zespołu pojazdów. W celu oceny synchronizacji układów hamulcowych pojazdu ciągnącego i przyczepy/naczepy należy porównać uzyskane charakterystyki skuteczności hamowania dla obu pojazdów. Krzywe skuteczności hamowania każdego z nich powinny przebiegać w obrębie pola tolerancji.
Jeżeli charakterystyki przebiegają powyżej górnej granicy pola tolerancji (dla pojazdów bez obciążenia), to korektę złego nastawienia regulatora siły hamowania przejmuje urządzenie przeciwblokujące. Bardziej niekorzystny przypadek występuje, jeśli charakterystyka z = f (pm) przebiega poniżej dolnej granicy pola tolerancji. Mimo że wymagana skuteczność hamowania może być osiągnięta, to występuje brak prawidłowej synchronizacji hamowania poszczególnych członów zespołu pojazdów. Konieczne jest wówczas skorygowanie charakterystyk regulatorów siły hamowania zespołu pojazdów.
Niezależnie od tego, im bardziej zbliżone są do siebie charakterystyki skuteczności hamowania pojazdu ciągnącego i przyczepy/naczepy, tym lepsze jest zachowanie całego zespołu podczas hamowania w rzeczywistych warunkach drogowych. Ponieważ w większości przypadków układy hamulcowe pracują w początkowej części charakterystyki (tzn. przy częściowych obciążeniach), w tym właśnie zakresie współczynniki skuteczności hamowania pojazdu ciągnącego i przyczepy/naczepy nie powinny się za bardzo od siebie różnić.
dr inż. Kazimierz Sitek
Literatura
1. Biedrzycki L., Opasewicz W.: Powietrzne układy hamulcowe. Budowa i diagnostyka. „Poradnik Serwisowy” 6/2003.
2. Rozporządzenie Ministra Infrastruktury w sprawie warunków technicznych pojazdów oraz zakresu ich niezbędnego wyposażenia (Dz.U. z 2024 r., poz. 502).
3. Rozporządzenie Ministra Transportu, Budownictwa i Gospodarki Morskiej w sprawie zakresu i sposobu przeprowadzania badań technicznych pojazdów oraz wzorów dokumentów stosowanych przy tych badaniach (Dz.U. z 2024 r., poz. 141).
4. Sitek K.: Diagnozowanie układów hamulcowych. „Poradnik Serwisowy” 4/2008.





Komentarze (0)