Znaleziono 44002 wyników
- ze wszystkich kategorii
-
artykuł
Chińskie opony kontra europejskie
Magazyn motoryzacyjny „AutoBild” porównał ContiPremiumContact 5 z dziesięcioma chińskimi modelami opon. Droga hamowania na dalekowschodnich oponach okazała się o 24 metry dłuższa. Pod względem...
-
artykuł
Branża oponiarska mocno się zmienia
Z Adamem Ślachetką, dyrektorem handlowym ATK-RETREADS, rozmawia red. Mirosław Giecewicz.- ATK-RETREADS to firma zajmująca się bieżnikowaniem opon. Jakie opony bieżnikujecie i kto jest głównym odbiorcą...
-
artykuł
TIP-TOPOL Tour 2013
– atrakcyjny program w 11 miastach kraju! Do wygrania sprzęt warsztatowy o wartości 55.000 PLN brutto.Firma TIP-TOPOL po raz kolejny zaprasza na cykl 11 imprez w różnych miastach Polski pod nazwą...
-
artykuł
Wyważarki ATH
Wymianie ogumienia towarzyszy operacja wyważania kół przeprowadzana w celu likwidacji niewyważenia statycznego i dynamicznego. Czynność ta wpływa pozytywnie na komfort i bezpieczeństwo jazdy.Wyważarki ATH...
-
artykuł
Inductor Dragon IHD500 230V
Opisywane urządzenie to podgrzewacz indukcyjny do szybkiego, bezpłomieniowego rozgrzewania metali metodą indukcyjną. Jest to nowość w ofercie firmy Colmec.Urządzenie, korzystając z reguł indukcji...
-
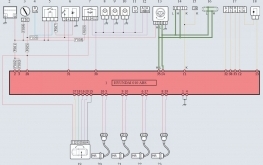
artykuł
Hyundai Santa Fe
Dzięki uprzejmości firmy TEXA POLAND Sp. z o.o. publikujemy kolejny schemat. Liczymy, że ułatwi on Państwu w jeszcze większym stopniu naprawianie nowoczesnych pojazdów.Legenda elementów –...
-
artykuł
Comma uruchamia akademię szkoleniową on-line
Firma Comma uruchomiła internetową akademię szkoleniową. Na początek – moduł poświęcony olejom do silników samochodów osobowych.Jak zapowiada firma kolejne moduły omawiające zagadnienia z...
-
artykuł
Hella – zawory recyrkulacji spalin (EGR)
Zawór recyrkulacji spalin ma coraz większe znaczenie z uwagi na redukcję emisji CO2 oraz nowe wartości graniczne określone normą Euro 6, która wejdzie w życie we wrześniu 2014 roku.Celowe...
-
artykuł
Korki i adaptery LPG w ofercie Gatesa
Firma Gates rozszerza asortyment produktów o korki i adaptery do pojazdów zasilanych LPG.Zbiornik na gaz zamontowany w pojeździe powinien być przystosowany do szczelnego przechowywania cieczy pod...
-
artykuł
Zdobycze IT w SKP
Ostatnie lata dla producentów wyposażenia diagnostycznego to wysiłek na rzecz stworzenia bardzo intuicyjnego i nowoczesnego programu pozwalającego na łatwe i szybkie przeprowadzanie badań technicznych...


